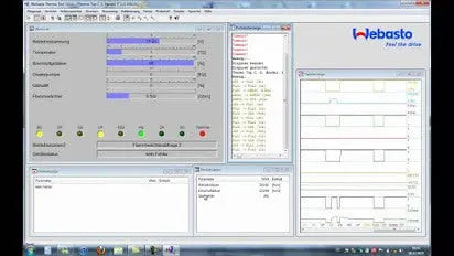
✅EDITH DIAGNOSTIC SOFTWARE FOR Control Units of Automobile Heaters Eberspacher Hydronic / Airtronic
✅EDITH DIAGNOSTIC SOFTWARE FOR Control Units of Automobile Heaters Eberspacher Hydronic / Airtronic
Couldn't load pickup availability
INSTANT DOWNLOAD LINK WILL BE SENT !
NO CD OR DVD INCLUDED !
Description :
Functions:
? Reading control unit errors
? Perform diagnostics on the connected heater
? Switching the heater directly from the PC
? Visualization of operating modes
? Indication of nominal and measured values
? Determination of altitude (above sea level) in which the heater operated
? Identification of characteristics and models of the heater
? Help function
? Programming the IPCU relay
? Multilingual interface
Supported Operating Systems
Windows 98; Windows NT; Windows Me; Windows 2000;
Windows XP; Windows Vista; Windows 7
Suitable for diagnosing the following Eberspacher heaters / heaters
D1L C
D1L C Compact
B1L C Compact
D3L C
D3L C Compact
B3L C Compact
D3L P
D5L-C
D8L C
Airtronic D2
Airtronic D4
Airtronic D4S
Airtronic D5
Hydronic D3W
Hydronic D4W
Hydronic D5W
Hydronic M
Hydronic M-II
Hydronic L
Hydronic L-II
Please note: To connect to the heater, you will need a cable adapter, the list below
Air heaters:
Airtronic / Airtronic M / Airtronic L adapter cable 22 1000 31 86 00
B / D1LCcompact, B / D3LCcompact, B / D3LPcompact adapter cable 22 1000 30 69 00
B / D1LC, B / D3LC, B / D3LP, B / D5LC / 8L adapter cable is not required
Liquid heaters:
Hydronic 4/5 adapter cable 22 1000 31 63 00
Hydronic II / Hydronic II C adapter cable 22 1000 33 78 00
D9W / Hydronic 10 adapter cable 22 1000 31 83 00
Hydronic 10, control module with integrated adapter adapter cable 22 1000 32 52 00
Hydronic M II adapter cable 22 1000 33 44 00
Hydronic 16/24/30/35 adapter cable 22 1000 31 66 00



